発電した以上を家計の消費電力から節約する~Chariot SACS~
発電した以上を家計の消費電力から節約する、Chariot SACS。 こんにちは、お元気ですか? 今回は、発電した以上を家計の消費電力から節約する方法を紹介します。

発電した以上を家計の消費電力から節約する、そんなことできるのでしょうか? 蓄電したエネルギーを使って節約するのではありません。 また、永久機関のような夢物語を語るのでもありません。 そして、様々な条件によって効率は変化するので、発電した以上を家計の消費電力から節約できることもあればできないこともあります。 発電した以上を家計の消費電力から節約することも場合によってはありうる程度にお考え下さい。 みなさんは、どのようにしたら発電した以上を家計の消費電力から節約することができると思いますか?
当方は、PCを使った電力システムに注目しました。 なぜPCか? それは、 PC内部ではほぼすべての部品が直流電量で動いていて、 また使用電力がある程度大きく、 1年を通して使うもので、 比較的使用時間が長いからです。 それではアイディアのエッセンスを紹介します。

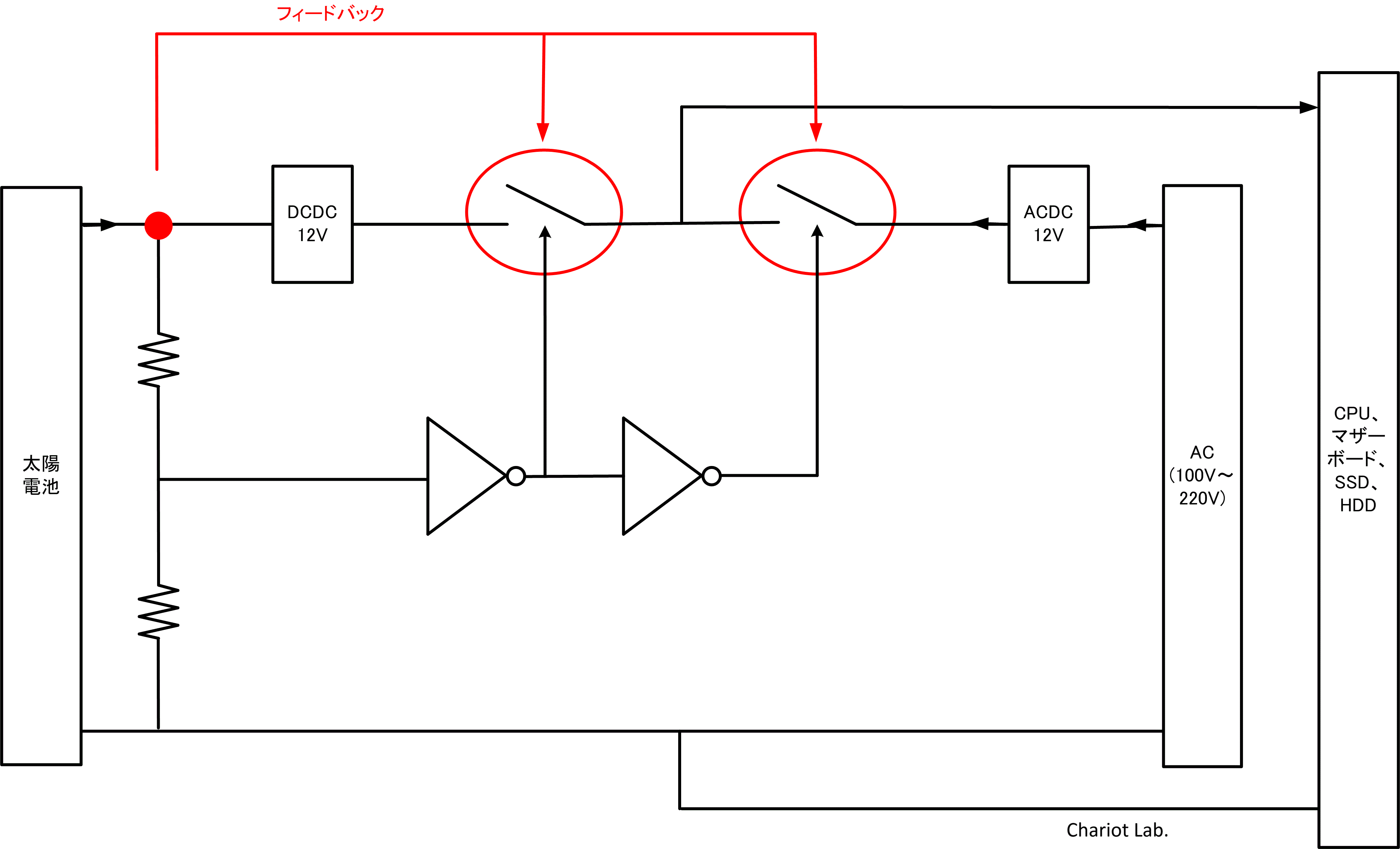
PCに、太陽電池からと、PC電源からと、2つの電源系統から協調給電します。 協調給電とは、太陽電池からと、PC用電源からの電力を混ぜ合わせる方法で、フィードバック制御によるもので、その特徴は、太陽電池からの電力を優先的に使い、太陽電池からの電力で足りない部分のみPC用電源からの電力を使うというものです。 このとき、太陽電池からの系統は、17Vから12V、17Vから5Vというように1回だけ電力変換します。 もし、太陽電池からの系統の変換効率が、PC電源からの系統の変換効率を上回った場合、 太陽電池で1W発電すると、日本では100Vの商用交流から供給しなくてはいけない電力が1W以上節約できると思いませんか? 実際に、例えば太陽電池からの系統の変換効率は92%程度、PC電源からの系統の変換効率は88%くらいです。 太陽電池が発電した電力の92%と節約できる商用電源から供給される電力の88%が同じになります。 そのため、節約できる商用電源から供給される電力割る太陽電池が発電した電力が88分の92になりますね。 この場合、発電した以上を家計の消費電力から節約することができます。 様々な条件によって効率は変わり、また制御回路自体にも消費電力があり、 1つの電力変換回路当たりの処理電力が減ってしまうといった要因もあるため、 必ずしも発電した以上を家計の消費電力から節約できるとは限りません。 しかし、発電した以上を家計の消費電力から節約できることがありうるということがおわかりいただけたと思います。


では、もう少し具体的な回路を見ていきたいと思います。 制御回路の概略は、この通りです。 この図は、わかりやすくするため、実際の回路より簡略化しています。 太陽電池からと、PC用電源からの電力を混ぜ合わせる方法で、フィードバック制御によるもので、その特徴は、太陽電池からの電力を優先的に使い、太陽電池からの電力で足りない部分のみPC用電源からの電力を使うという協調給電をしています。 また、今回は細かく説明しませんが、スタティックマージン、ダイナミックマージンを確保し、PCを安定動作させています。 実験では、連続3か月、意図しない電源遮断やブルースクリーンエラーなどが発生せずにPCとして使えたという記録があります。 ここでいう実験とは、ただPCを立ち上げていたのではなく、生活の中心となるPCとして問題なく使えていたということになります。

太陽電池が発電する場合、太陽電池からの供給電力は48.9W、PCの消費電力が63.7Wとします。 PCの消費電力は、114Wとします。 この場合、日本では100Vの商用交流からの電力節約分、つまりPCの消費電力の節約分は、50.3Wです。 この場合、PCの消費電力の節約分割る太陽電池を模擬した直流電源からの供給電力は103%となります。 この例では、発電した以上を家計の消費電力から節約できています。
今回紹介した以外にも、太陽電池から適切な電圧で電力を取り出すこと、太陽電池が1枚なら逆電流防止ダイオードが不要なこと、PCのスタンバイや電源連動にも対応するなど、利点と工夫が満載です。
最後に、この電源システムの投資効果を検証します。 発電した以上を家計の消費電力から節約するChariot SACSは、予定価格75000円、太陽電池が2万円、配線材が5000円として、 システム導入価格は10万円です。 想定している太陽電池は160W程度です。 40Wの電力が8時間使われるという想定で、電力価格が1kWhあたり40円、効率100%として、 1日に節約できる電気代は12.8円。 21年で元が取れる計算になります。 今後、火力発電のエネルギー調達コストが上がり、電気代が上がると、もっと短期間で元が取れるようになります。

いかがでしたか? この技術が、世界のエネルギー事情をほんのほんのわずかでも改善できることを祈る次第です。 Chariot Lab. Shopでは2026年中に、PC内部に設置できる実装済み基板を商品として販売する予定です。
※Chariot SACSのSACSは、Solar Assisted Computer Systemの略です。 太陽電池で発電したときだけ、自動的に電力をアシストします。
重要なポイント
・直流給電
→太陽電池からの系統を交流に変換せずに直流のまま使うことにより、太陽電池で発電した電力を超える電力を家計の消費電力から節約することがあり得る。
・協調給電
(太陽電池からと、PC用電源からの電力を混ぜ合わせる方法で、フィードバック制御によるもので、その特徴は、太陽電池からの電力を優先的に使い、太陽電池からの電力で足りない部分のみPC用電源からの電力を使う)
→太陽電池が発電しなくても、商用交流(日本では100V)から電力を供給。太陽電池が発電すると、発電した分またはそれ以上をPCの消費電力から節約。しかもバッテリー不要。
・PCを安定動作させるための工夫
(スタティックマージンとダイナミックマージンの確保)
→バッテリーがなくてもPCが安定動作し、お手軽に直流給電を実現。展示予定の現行バージョンは、現在信頼性評価中。
前作までは、プロジェクト完成後1年以内にKindleで技術資料を販売しておりましたが、Chariot SACSでは、2030年ごろまでKindleでの電子書籍としての技術資料提供はしない予定です。 技術資料は、原則として、Chariot Lab. Shopでの製品販売のときに製品に添付することのみで提供する予定です。
Chariot SACS搭載の実験機のスペック CPU:Core i5-13500、メモリ:DDR5 128GB、専用グラフィックボード:なし、ストレージ:SSDx2 HDDx2。 アイドル時消費電力:43W。
研究に必要な柔軟な発想には、大人の心より子供の心が大切です。 ライ麦畑のがけから落ちないように拾ってくれる人がいなかったら、研究はもう終わりです。 私ももういい年齢(とし)です。 どんなに遅咲きでも、この問いにだけは答えられるようになっておきたいです。 何のために生まれて、何をして生きるのか、答えられないなんて、そんなのは嫌だ。 私の答え:Chariot SACSを世に出すため。 本気だよ。
12Vバッテリーレス充電システム公式ページ
Chariot Lab. Shop
Discussion